Thermal Fuses MTNF
Version Data
- Name
- MTNF
- Version
- radial
- Max current (A)
- 1
- Temperature (C)
- 65 - 145
- Tolerance (K)
- +0 / -10
| Tf (C) |
| 065 |
| 076 |
| 086 |
| 102 |
| 115 |
| 127 |
| 133 |
| 136 |
| 139 |
| 145 |
| Tc (C) |
| 050 |
| 050 |
| 060 |
| 075 |
| 095 |
| 105 |
| 105 |
| 100 |
| 110 |
| 125 |
| Tm (C) |
| 200 |
| 200 |
| 200 |
| 200 |
| 200 |
| 200 |
| 200 |
| 200 |
| 200 |
| 200 |
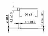
technical description:
- plastic housing
- lead length (mm): 68 (standard) or 36
- Ø wire (mm): 0.53
- Tf = functioning open temperature
- Tc = holding temperature: max. continuous exposure temperature during operation
- Tm = max. overshoot temperature: above this temperature the TCO might conduct again